Specificstions:
Product Type: Character LCD Module
Display Format: 16*02 Characters
Interface: 6800 4-bit Parallel, 6800 8-bit Parallel
IC or Equivalent: AIP31066, HD44780, KS0066 , SPLC780 , ST7066
Font: English/Japanese
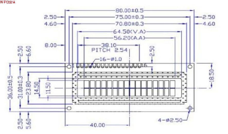
Outline Dimension: 80.00(W)x36.00(H)x11.00(T)mm
Visual Area: 65.00x16.00mm(SLC1602C1), 65.00x14.50mm(SLC1602C2),
Active Area: 55.46x10.76mm
Viewing Direction: 6:00
IC Package: COB
Power Supply(Typ): 5.0V 3.3V
Packing:
1 x LCD Module
If you have any questions about this item, contact us with no hesitation, we are always here and will solve your problems.
Thanks and wish you a nice day!
















