




Smart Key Immobilizer Module. M4x0.7x14.
| Brand | Mopar |
|---|---|
| Manufacturer Part Number | 6505513AA |
| SKU | 6505513AA |
| Product | Genuine Mopar Tapping Screw, Mounting 6505513AA |
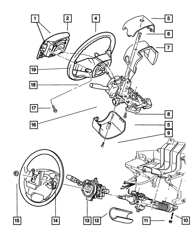
ONLY PART REFERENCE #8 ON THE DIAGRAM IS INCLUDED
WorldPartsDirect is a small, Texas based business located in the Dallas metroplex. There are about twenty of us that work tirelessly to get you the genuine, OEM parts you need at unbeatable prices. We pride ourselves in top quality customer service and our commitment to be the business we would want to shop with. We have one of the largest inventory networks in the country along with some of the most aggressive discounts. We love cars, and we love what we do! We hope you will love shopping with us, and we always welcome feedback on how we can make your shopping experience even better.


Compatibility Guarantee (optional free service):
Applies when you include your VIN during or before checkout. Simply click "Message to Seller" during checkout and include your VIN with any relevant details (ex: driver/ passenger side). Our fitment experts will confirm compatibility before shipping. If we determine that you purchased an incompatible part, we will correct your order if possible. If we cannot correct your order, we will notify you of the issue (ex: discontinued item) and give you the option to cancel.
Part Authenticity and Warranty Guarantee:
When you order from us, we guarantee that you will receive a genuine, OEM part. We do not stock anything aftermarket! Our parts are warrantied nationwide for 1 year at every Mopar (Chrysler/Dodge/Jeep/Ram) or General Motors (Chevrolet/Buick/GM/GMC) dealer in the country, depending on the brand of part you ordered. We are able to provide documentation that proves the validity of your purchase from our licensed dealership at anytime upon request. This documentation can be used to redeem this warranty if needed at the dealership of your choice and at no cost to you.
All of our products can be returned within 30 days. Please open a request for any of these reasons:
The reason you pick has no impact on your refund amount, but it has a big impact on us as a seller. Choosing other reasons may delay the refund per an internal investigation and potential eBay appeal. If a part fails at anytime during the 1 year warranty period, any licensed new car dealership in the country that carries your brand of vehicle will replace the part for free. Simply request our dealer invoice for the part and provide it to your preferred dealer along with the defective part.
