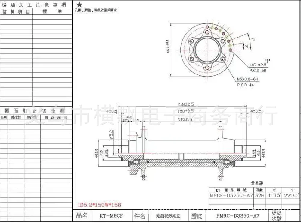
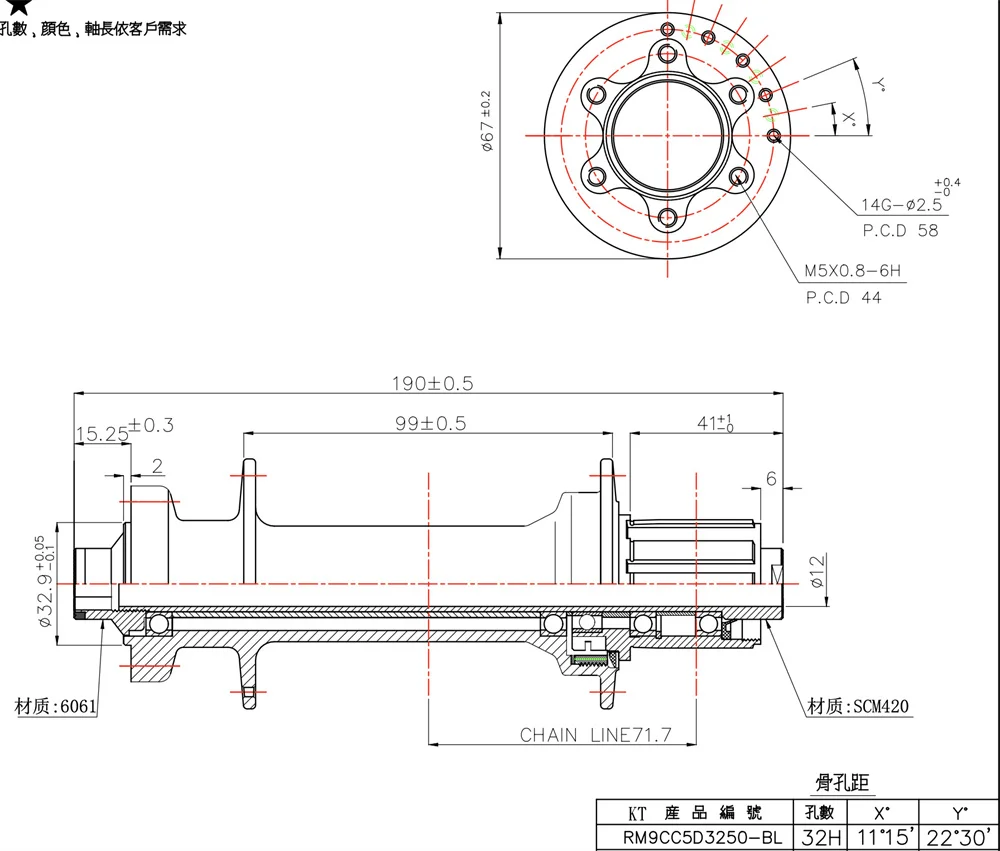
1, Front hub:
Spread:Front 135mm/Rear 150mm
[BOBY]: ALLOY 1 PIECE FORGED CNC.
[BEARING] :. SEALED * 2PCS
[AXLE DIM]: M9 * 135mm/150mm,
[SPOKE]: 14G - 32/36holes
[WEIGHT]: about 320g/390g,
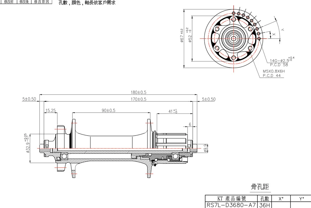
2, Rear hub:
Spread:170mm/190mm
For :8/9/10 Speed
[BOBY]: ALLOY 1 PIECE FORGED CNC.
[BEARING] :. SEALED * 2PCS
[AXLE]: 7075ALLOY, MACHINED
[AXLE DIM]: M10*170mm,M10 * 190mm
[SPOKE]: 14G -32 /36 holes
[WEIGHT]: about 545g/630g
Products show











