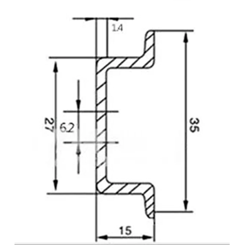
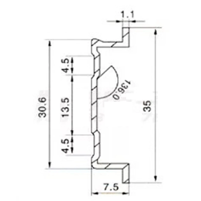
3 Sizes Pipe Cutting Rail Cutter Tool Rail Cutter Cutting Machine

Feature
1) Manual, portable tools.
2) Designed with a built-in cutting die

* For burr-free cutting on most popular products
* Material: Hardened Steel Casting
* Finishing: painted red
* Application: rail cutter