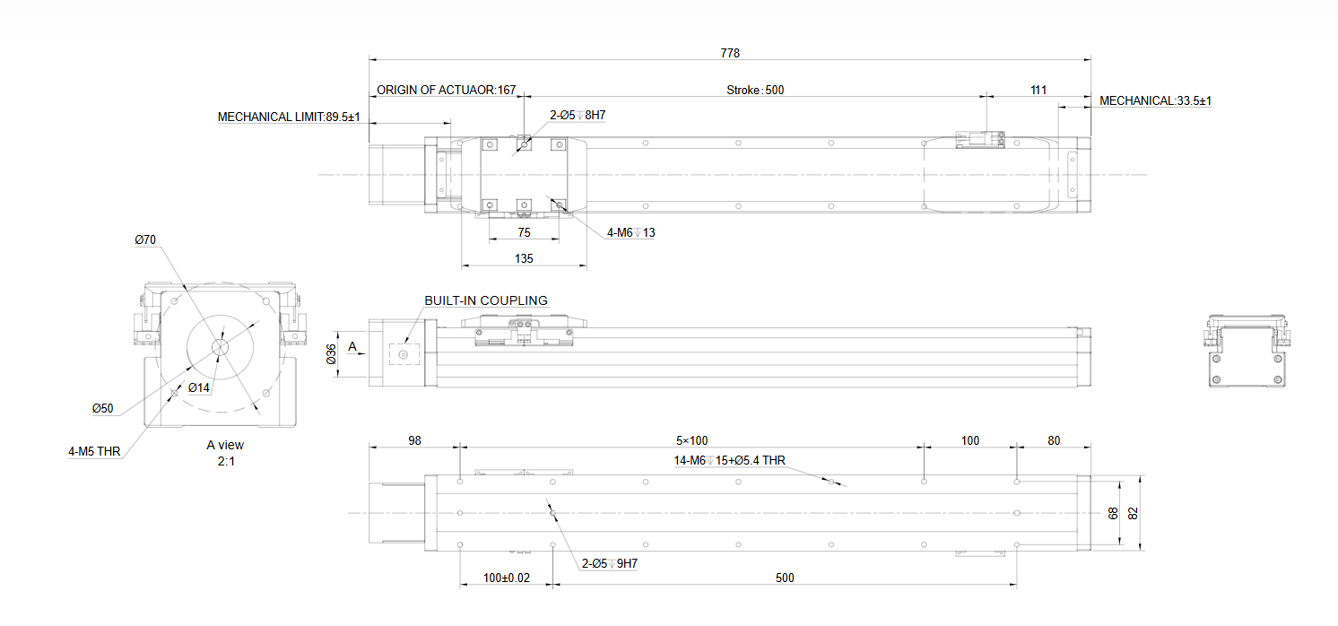
This LG8 series ball screw driven dustproof linear actuator offers a maximum horizontal payload of 30kg(66.14lb) and maximum vertical payload of 8kg(17.64lb), a stroke length of 500mm(1.64ft) and maximum speed of 500mm/s(1.64ft/s).
Different from the linear actuators with exposed lead screws on the market, we have adopted a semi - enclosed dustproof design, which can effectively prevent debris during production from entering the actuator.
The LG series linear actuators feature a simple design and high cost-effectiveness. They are highly suitable for replacing pneumatic actuators in applications that demand a higher level of performance and control. They have advantages such as high precision, good efficiency, excellent heat dissipation, easy installation and low maintenance costs.

Adapting Motors:
1. AC Servo Motors