Overview
This document describes the Cisco Multi-Band Swivel Mount Dipole Antenna (5G-ANTM-SMA-D), from here on referred to as "The Antenna". The antenna is designed for IoT devices with the following applications:
5G NR FR1 radios
2G/3G/4G radios
Gateways, set top boxes, security
Optimized for straight and 90deg bent positions
The following graphic shows the antenna:
|
Antenna Type |
Dipole |
|
Operating Frequency Range |
617-960 MHz 1430-3500 MHz 3500-6000 MHz |
|
Nominal Impedance |
50 Ohms |
|
Return Loss |
-5 dB (or better) across all bands |
|
Gain (617-960 MHz) |
1.2 dBi+/-1.2 dB |
|
Gain (1430-3500 MHz) |
2.5 dBi+/-1.5 dB |
|
Gain (3500-6000 MHz) |
5.5 dBi+/-3.5 dB |
|
Average efficiency (617-960 MHz) |
45% |
|
Average Efficiency (1430-3500 MHz) |
65% |
|
Average Efficiency (3500-6000 MHz) |
70% |
|
Radiation Pattern |
Omni |
|
Horizontal Plane |
Omni |
|
Polarization |
Vertical |
|
Power withstanding |
3 W |
|
ESD Protection |
DC Grounded |
|
Total Length (straight) |
8.8 in (223.5mm) |
|
Width |
1.2 in (30.45mm) |
|
Weight |
1.7 oz (50 g) |
|
Connector |
SMA-Male |
|
Installation Torque |
Initial Torque: < 3 Ozf-in Mated Torque: 12~21 Ozf-in |
|
Operational Temperature |
-40° to +185°F (-40°C to +85°C) |
|
Storage Temperature |
-40° to +185°F (-40°C to +85°C) |
|
Ingress Protection |
IP65 |
|
Salt Mist |
96 Hours |
|
RoHS Compliant |
Yes |
The 5G-ANTM-SMA-D performance patterns are shown in the following sections:
Return Loss (Bending)
Efficiency
Peak Gain
Gain Plots
The 5G-ANTM-SMA-D Plane plots are shown in the following series of graphics:
Gain Plots (bend) 617-960 MHz


Gain Plots (bend) 1430-6000 MHz


Gain Plots (straight) 617-960 MHz


Gain Plots (straight) 1430-6000 MHz


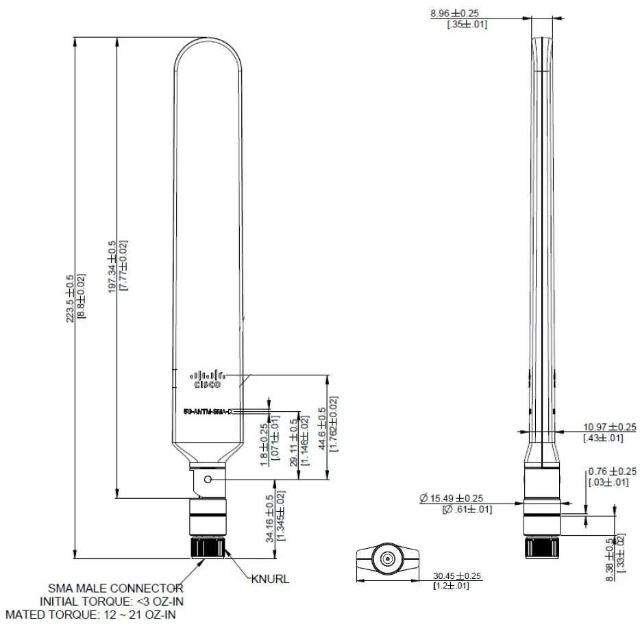
Mechanical Drawing
The 5G-ANTM-SMA-D mechanical properties are shown in the following:
Installation Notes
The 5G-ANTM-SMA-D is intended for indoor use. Extension cables, bases and other accessories are sold separately. The antenna is designed to connect to a dedicated antenna port on the device. No special tools are required to install the antenna.