1 piece L6506
CURRENT CONTROLLER FOR STEPPING MOTORS

Supply Voltage 10 V | 1W | DIP18 package

L6506  L6506   L6506   L6506   L6506   L6506

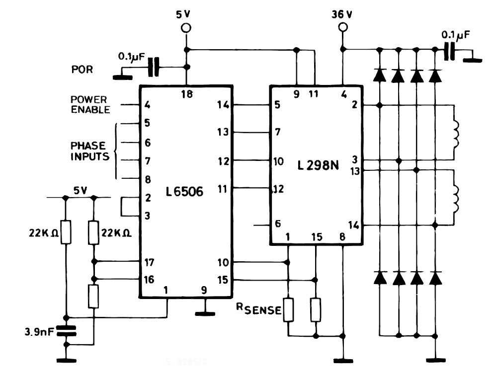
The L6506/D is a linear integrated circuit designed to sense and control the current in stepping motors and similar devices. When used in conjunction with the L293, L298, L7150, L6114/L6115, the chip set forms a constant current drive for an inductive load and performs all the interface function from the control logic thru the power stage.
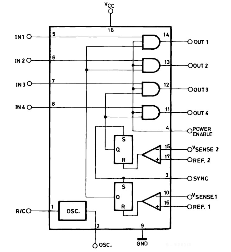
Two or more devices may be synchronized using the sync pin. In this mode of operation the oscillator in the master chip sets the operating frequency in all chips.

NOT PULLED - NOT USED - NOT REFURBISHED - NOT SOLDERED - NOT RE-MARKED - NOT FAKED EXCLUSIVELY NEW OLD STOCK (NOS)

The devices are from old stock (OEM industrial , mainly from Germany), but they are NEW and UNUSED (NOS devices)
Taken out from the original packaging ( see photo).
What you see on the photo, is what you get .

If you need a higher quantity, please ask for a special offer or give us for the higher quantity your best offer.