



Product Description
If your old engine is 1P52FMI, it can't fit your engine.


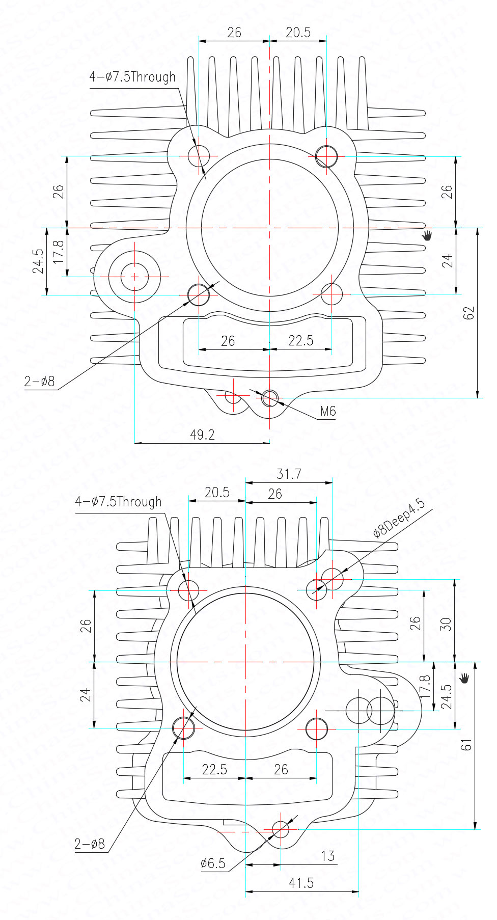
1) Cylinder
Middle Height:69mm
Total Height:95mm
Inner Diameter:54mm
Outer Diameter:58mm
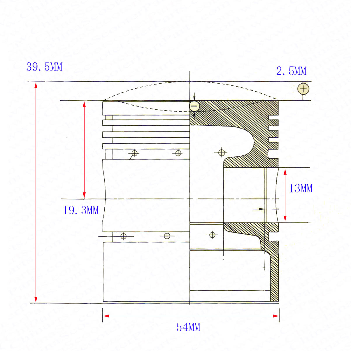
2) Piston kit
Total Height:39.5mm
Compress height:19.3mm
Height of doom: 2.5mm
Pin:13mm
3) With Up and down gasket
It will fit following Machine
We only do business with performance parts and spare parts, no others,since only so professional. And we were started 10 years ago.
Parts are not as same as bikes, they are many items and more complex,for other companys, often have a mistake between clients, but we have seldom, since we have very clearly picture of the items. And all the pictures are taken photo by ourself. We have CAD drawing for many items which you can find in our webpage. So it will not confused by misunderstanding.
We can offer almost all the spare parts and performance parts for the bike in China. Such as ATV ,Quad,Buggy,Go Kart,Dirt bike,Pit Bike,Scooter, Chopper and Gas Scooter,Mini Pocket bike,RC Car.