3 phase NEMA 42 20N.m 2830ozf.in Closed loop Stepper
servo motor driver kit JMC 110J12190EC-1000+3HSS2208H
will send you english user manual of the driver after order.
package including:
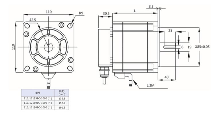
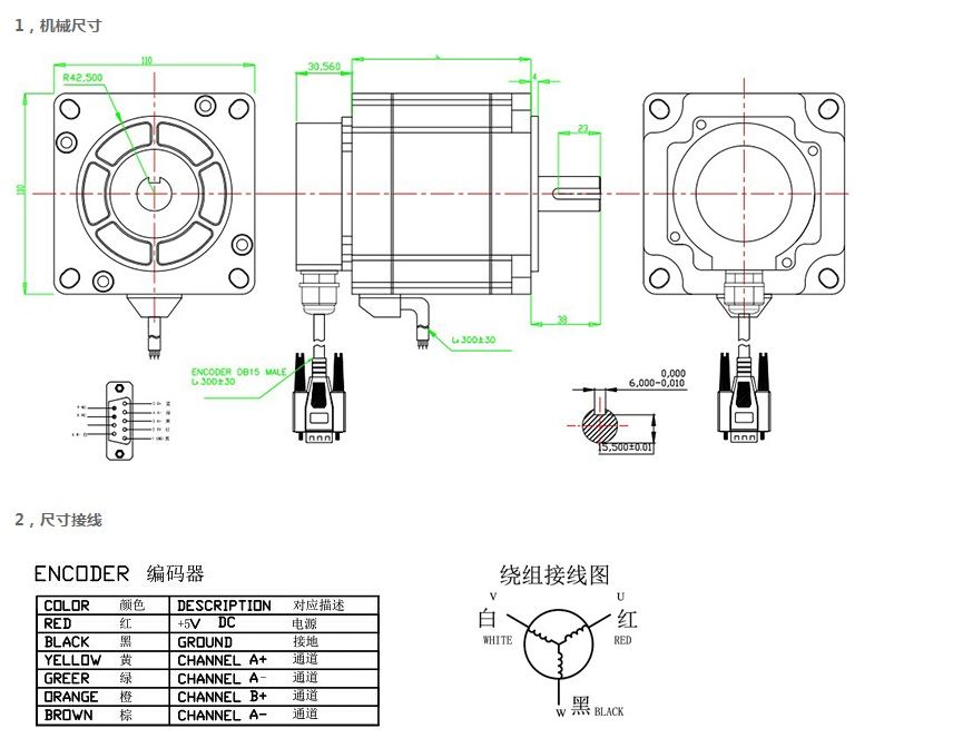
1pcs 3phase NEMA42 20Nm closed loop stepper motor 110J12190EC-1000 shaft diameter 19mm 1000line encoder
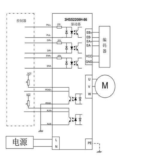
1pcs 3phase motor driver 3HSS2208H-110;
1pcs 3m encoder extend cable
Typical applications:
CNC machine ,cutting machine ,engraving
machine
Name rules of hybrid step servo motor
86 J 18 118 EC----1000
| | | | | |
1 2 3 4 5 6
1. Motor diameter
2. JMC series step servo motor
3.Step angle 18:1.8º 2 phase,12-:1.2º 3 phase
4.118 is motor length
5.Encoder closed feedback
6.Resolution of the encoder is 1000
3 phase hybrid step motor Electrical Specification
|
|
|
|
|
|
|
|
|
|
|
|
|
|
86J12126EC-1000 |
1.2 |
6 |
2.9 |
4.0 |
17 |
700 |
3000 |
B |
3 |
4.8 |
161 |
|
86J12156EC-1000 |
1.2 |
7.8 |
2.9 |
4.7 |
24 |
1300 |
4000 |
B |
3 |
5.3 |
187 |
|
110J12160EC-1000 |
1.2 |
16 |
6.0 |
1.28 |
19 |
2000 |
5500 |
B |
3 |
9.0 |
189 |
|
110J12190EC-1000 |
1.2 |
20 |
6.8 |
1.24 |
22 |
2500 |
6800 |
B |
3 |
11 |
223 |
|
130J12206EC-2500 |
1.2 |
28 |
6.8 |
0.8 |
11.3 |
4000 |
16000 |
B |
3 |
17 |
257 |
|
130J12226EC-2500 |
1.2 |
35 |
6.8 |
0.92 |
13.8 |
3000 |
24000 |
B |
3 |
19 |
277 |
Name rules of Hybrid step servo drive system
2 HSS 86 H----118
| |
| | |
1 2 3
4 5
1.Phase(2 or 3)
2.Hybrid step servo drive
3.86mm means matched motor size
4. Application type
5.Matched motor length
|
Model |
current(A) |
Voltage(A) |
Motor |
Weight(KG) |
Dimension(mm) |
Control signal |
|
2HSS57 |
0-6A |
DC(24-48)V) |
57,86 |
0.27 |
118*75.5*34 |
differential |
|
2HSS86H |
0-7A |
AC(30-75V) |
57,86 |
0.6 |
150*97.5*53 |
differential |
|
2HSS1108H |
0-8A |
AC(80-220V) |
86,110 |
1.5 |
180*140*70 |
differential |
|
2HSS2208H |
0-8A |
AC(110-240V) |
110,130 |
1.5 |
180*140*70 |
differential |
|
3HSS2208H |
0-8A |
AC(80-220V) |
86,110,130 |
1.5 |
180*140*70 |
differential |
