DC resistance: around 40 Ω+40 Ω: 320 Ω+320 Ω
Inductance: around 2.5H+2.5H: 85H+85H
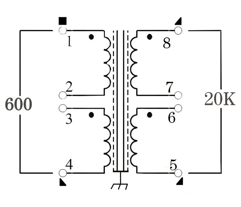
The audio signal transformer adopts a two group parallel winding method for both the primary and secondary terminals. (1+1:1+1) can be used in series or parallel.
This audio transformer uses EE25mm permalloy sheet with an imported content of over 80%, and high-purity oxygen free copper wire. Effectively isolate and convert audio signals, with an extremely wide response frequency and a flat spectral curve. Suitable for high-quality audio transmission.


Package:
1 Piece 600:20K Permalloy Audio Isolation Transformer
