Punktlaser, grün, 532nm, 1mW, Laser Klasse 2, Fokus kollimiert, 3V DC, 16x90mm, achsparallel, inkl. Netzteil
Bei dem Typ LFD532-1-3(16x90)-AP-NT handelt es sich um einen grünen Punktlaser mit einer Wellenlänge von 532nm. Dieses Lasermodul zeichnet sich durch seine solide Bauform aus (16x90mm). Die Lebensdauer des Lasermoduls ist größer 3.000 Stunden. Der Strahlrichtungsfehler (Achsabweichung) beträgt kleiner 1,0°. Das beiliegende Netzteil stellt eine stabile und zuverlässige Stromversorgung her. Dieser Punktlaser findet Anwendung in z.B. Nivelliergeräten, Lasermarkierungssystemen und zur genauen Positionierung von Gegenständen. Für Industrie, Handwerk, Hobby und dem Showbereich. Dieses Modul fällt in die Laserklasse 2.
- Abstrahlcharakteristik: elliptischer Punkt, Punktgröße <3..5mm@10m
- Optische Leistung: 1mW (Laserklasse 2); Fokus: 10m
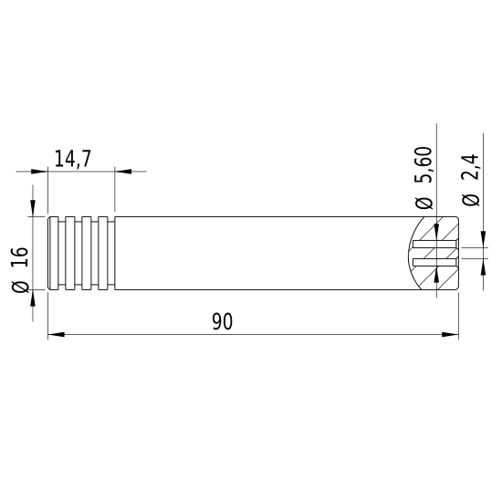
- kompakte Bauform: 16x90mm; Achsabweichung: bis zu 1,0°; DC-Hohlstecker 2.5mm
- Für Anwendungen in z.B. Laserwasserwaagen, Lasermarkierungssystemen, der Robotertechnik, Industrie, Handwerk, Hobby und dem Showbereich.
- Das im Lieferumfang enthaltene Netzteil, ist trennbar mit dem Lasermodul verbunden.
Lieferumfang
Inklusive einem Picotronic Netzteil LFNT-3-C.
Stammdaten
- EAN: 4055132007270
- Garantie: 1 Jahre
- Warentarifnummer: 90132000000
Technische Daten
- Lebensdauer: > 3.000 h
- Betriebstemperatur: 15°C - 30 °C
- Lagertemperatur: -40°C - 80 °C
Optische Parameter
- Strahlform: Punkt
- Optische Leistung: 1 mW
- Laserklasse: 2
- Divergenz: D - 0.5 mrad
- Strahldurchmesser: 3 mm
- Punktgröße: <3..5mm@10m
- Optik: antireflex beschichtete Glaslinsen
- Beam Mode: TEM00
- Laser Technologie: YVO4+KTP
- Stabilität: +/- 20% @ 15-30°C
- Fokus: fixed (10.0m)
- Aufwärmzeit: < 15 min
Elektrische Parameter
- Potential des Gehäuses: VDD(+)
- Betriebsspannung: 2.7 - 3.3, typ 3 V DC
- Betriebsstrom: 125 - 375, typ 250 mA
- Anschlussstecker: 2.5 mm DC plug (GND pole inner)
- Netzteil: Netzteil, Ausgang: 3V DC, Betriebsspannung: 100-240V AC, mit DC-Hohlstecker Ø2,5 mm (GND innen),
Mechanische Parameter
- Abmaße: Ø16x90 mm
- Material: Brass
- Kabellänge: 1.650 mm
- Austrittsdurchmesser Optik: 3,5 mm
- Gewicht: 100 g
Shop+Web
- Lieferumfang: Inklusive einem Picotronic Netzteil LFNT-3-C.
Holosun
- BKA Genehmigungspflicht: nein
Zubehör
Magnet-Halterung für Lasermodul 16mm 16mm(48x86) MULTI-MOUNT-MAGNETIC für Lasermodule mit Durchmesser 16mm
zertifizierte Laserschutzbrille PICO-LPG-405-532 nach DIN EN 207, geeigneter Wellenlängenbereich >400 - 532 nm, bequeme Passform über Brille o. allein, Seitenschutz für breites Sichtfeld, zum Laserschweißen, Laserschneiden, Lasermarkieren, für kosmetische Anwendungen
Picotronic Zubehör PICO-LENS-CLEANING-PEN-MICRO
PICOTRONIC Ballhead-Halterung für Lasermodule 16mm Ø16mm(25x75) Halterung-Ballhead für Lasermodule mit Durchmesser 16mm
PICOTRONIC Ø16mm(30x65) MOUNT für Lasermodule mit Durchmesser 16mm Ø16mm(30x65) MOUNT für Lasermodule mit Durchmesser 16mm
Halterung für Lasermodul 16mm Ø16mm(45x75) MULTI-MOUNT für Lasermodule mit Durchmesser 16mm
Magnet-Halterung für Lasermodul 16mm Ø16mm(45x75) MULTI-MOUNT-MAGNETIC für Lasermodule mit Durchmesser 16mm
Picotronic Stromversorgung LFNT-3-C Netzteil, Ausgang: 3V DC, mit DC-Stecker Ø2,5 mm (GND innen), Betriebsspannung: 100-240V AC
|  
 
 
 
 
 |