Sinterbronze Buchse mit Bund Durchmesser 12/15/18 x 12 mm Gleitlager für 12 mm Welle

Art-Nr. SBBMB012015012 Herst.-Nr. Nicht zutreffend Hersteller MÄDLER GmbH
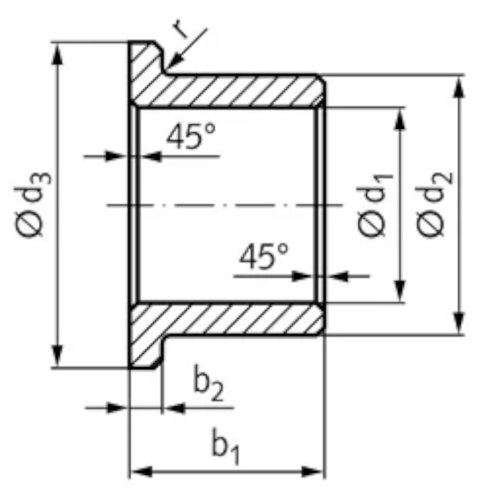
d1: 12 mm
d2: 15 mm
d3: 18 mm
b1: 12 mm
b2: 1,5 mm

Unsere selbstschmierenden Gleitlager sind ölgetränkt, einbaufertig gepresst und kalibriert. Mit präzise Toleranze und hochwertiger Sinterbronze bieten sie wartungsfreie Leistung. Hergestellt in Deutschland, eignen sie sich ideal für verschiedene Anwendungen wie Gelenkbuchsen in Baumaschinen, Hydraulikzylinderbuchsen und Führungsbuchsen für Maschinen und Werkzeuge. Mit einer dynamischen Trockenbelastbarkeit von 20 MPa und einer statischen Belastbarkeit von 50 MPa bieten sie Zuverlässigkeit unter verschiedenen Bedingungen. Die ölimprägnierte Sinterlegierung aus Fe+Cu+Sl und die ausgezeichnete Legierungshärte machen sie zu einer qualitativ hochwertigen Lösung für anspruchsvolle Anforderungen. Geeignet für Wellen mit oben stehenden Durchmessern, bieten sie maximale Leistung bei Betriebstemperatur