right angle 90 degree planetary gear reducer 10 arcmin for 57 NEMA23 stepper motor input shaft 1/4inch 6.35mm
NOTE:
1st: Please choose the ratio you need.
If you don't find the ratio you need, please inquiry.
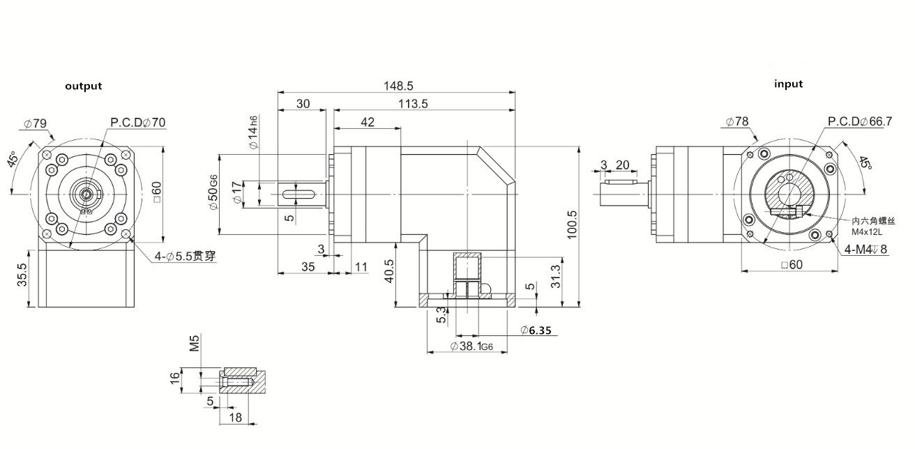
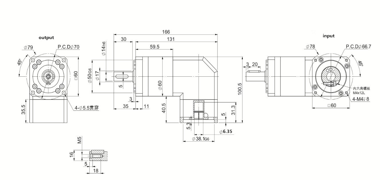
2nd:We will ship the planetary reducer as the standard dimension as follows:
Frame | Shaft diameter | Rabbet | diagonal Screw hole distance |
60mm | 6.35mm=1/4inch | 38.1mm | 66.7mm |
3rd: If any question on the dimension of the planetary reducer, please write me the dimension drawing of your motor. We offer customize service for your motor and can help you choose the suitable planetary reducer for your motor.
Here is the parameters of the planetary reducer:

